在一个RLC电路, a的最基本元素电阻器,电感器,电容器通过一个电压供应。所有这些元素在本质上都是线性和被动的。无源元件是那些消耗能源而不是生产能源的国家;线性元件是指电压与电压之间呈线性关系的元件当前的.
有许多方法连接这些元素跨电压供应,但最常见的方法是连接这些元素或在串联或在并联。的RLC电路与LC电路的谐振特性相同,但在这种电路中,由于电阻的存在,与LC电路相比,振荡很快消失。
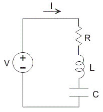
系列RLC电路
当电阻、电感和电容与电压电源串联时,这样形成的电路称为电路系列RLC电路.
因为所有这些元件都是串联的,所以每个元件的电流保持不变,
让VR是交叉的电压电阻器,R。
Vl是交叉的电压电感器,L。
VC是交叉的电压电容器C。
Xl是归纳电抗.
XC是电容电抗。
RLC电路中的总电压不等于电阻、电感和电容之间的电压的代数和;但是它是一个矢量和,因为在电阻的情况下电压与电流是同相的,对于电感器,电压导通电流90o而对于电容,电压滞后于电流90o(根据ELI ICE Man).
因此,每个分量的电压彼此不是相的;所以它们不能算数相加。下图显示了串联RLC电路的相量图。在绘制RLC串联电路的相量图时,以电流为参考,因为串联电路中每个元件的电流保持不变,而每个元件对应的电压矢量则以共同的电流矢量为参考。
串联RLC电路的阻抗
串联RLC电路的阻抗Z被定义为电路中电流的反向流动电阻R,感抗,Xl和容抗,XC.如果电感电抗大于电容电抗,即Xl> XC,则RLC电路存在滞后相位角,若电容电抗大于电感电抗,即XC> Xl然后,RLC电路有超前相位角,如果电感和电容都是相同的,即Xl= XC那么电路就会表现为纯电阻电路。
我们知道
在那里,
替换的值
并联RLC电路
在并联RLC电路电阻器、电感器和电容器并联连接在电压电源上。并联RLC电路与串联RLC电路完全相反。所有元件施加的电压保持不变,电源电流得到划分。
总电流的供应不等于数学和电流的各个组件,但是它等于矢量和电流,电流在电阻、电感和电容不是彼此在同一阶段;所以它们不能算数相加。
并联RLC电路相量图,IR是流过电阻的电流,R的单位是安培。
我C为流过电容器的电流,C的单位是安培。
我l为流过电感器的电流,L为安培。
我年代是供电电流,单位是安培。
在并联RLC电路中,所有元件并联连接;所以每个元素的电压是相同的。因此,在绘制相量图时,以电压为参考矢量,其余电流均为IR,我C,我l是相对于这个电压矢量的。通过每个元素的电流可以用基尔霍夫电流定律,表示进入一个结或节点的电流之和等于离开该节点的电流之和。
如图所示,并联RLC电路的阻抗方程,Z;每个元件具有阻抗的倒数(1 / Z)即。导纳因此,在并联RLC电路中,用导纳代替阻抗是很方便的。
RLC电路中的共振
在一个包含电感和电容的电路中,能量以两种不同的方式存储。
- 当电流流过电感器时,能量就储存在里面磁场.
- 电容器充电时,能量储存在静电场中。
电感器中的磁场是由放电电容器提供的电流构成的。同样的,电容器由电感器的磁场崩塌产生的电流充电,这个过程持续不断,导致电能在磁场和电场之间振荡。在某些情况下,在某一特定频率,即谐振频率下,电路的电感电抗等于电容电抗,这导致电能在电容的电场和电感的磁场之间振荡。这就形成了和声振荡器为电流。在RLC电路,电阻的存在使这些振荡在一段时间内消失,这称为电阻的阻尼效应。
谐振频率公式
在共振过程中,在特定的频率称为共振频率时,fr.
谐振时,电路的电感电抗等于电容电抗,使串联RLC电路的电路阻抗最小;但当电阻、电感和电容并联时,电路阻抗最大,因此并联RLC电路有时称为反谐振器。请注意,振动物体的最低共振频率被称为它基频
串联RLC电路和并联RLC电路的区别
| S.NO | RLC串联电路 | RLC并联电路 |
| 1 | 电阻、电感和电容是串联的 | 电阻、电感和电容并联 |
| 2 | 电流在每个元素中是相同的 | 电流在所有的元素中是不同的,总电流等于各支路电流的矢量和,即I年代2=我R2+(我C——我l)2 |
| 3. | 所有元件上的电压是不同的,总电压等于每个元件上电压的矢量和,即V年代2= VR2+ (Vl- - - - - - VC)2 | 每个元件之间的电压保持不变 |
| 4 | 在绘制相量图时,以电流为参考矢量 | 在绘制相量图时,以电压为参考矢量 |
| 5 | 每个元件上的电压为:VRV =红外,lX =我l, VCX =我C | 每个元素的电流由: 我R= v / r, ICv / xC,我lv / xl |
| 6 | 用阻抗计算更方便 | 用导纳进行计算比较方便 |
| 7 | 当Xl= XC,该电路具有最小阻抗 | 当Xl= XC,该电路具有最大阻抗 |
RLC电路方程
考虑一个RLC电路电阻器R、电感器L和电容C串联并由a驱动电压源五、设Q是电容上的电荷,流过电路的电流为i基尔霍夫电压定律
在这个方程;阻力,电感,电容电压是已知的,而电流和电荷是未知的。我们知道电流是电荷流动的速率,所以它由
再次微分I'(t) = Q ' '(t)
对上面的方程对t求导,
在t = 0时,V(0) = 0在t = t时,V(t) = Eo罪ωt
对t求导得到V'(t) = ωEo因为ωt
将V'(t)的值代入上式
我们设这个方程的解是IP(t) = Asin(ωt - ǿP(t)是上述方程的解,那么它必须满足这个方程,
现在代入I的值P对t求导,我们得到,
应用cos (A + B)的公式,结合类似的项,
将两边的sin(ωt - φ)和cos(ωt - φ)的系数匹配,我们得到,
现在我们有两个方程和两个未知数,即φ和A,通过除以上面两个方程,我们得到,
对上面的方程平方加起来,我们得到
用拉普拉斯变换分析RLC电路
步骤1:画出给定电路的相量图。
步骤2:利用RLC串联电路中的基尔霍夫电压定律和RLC并联电路中的电流定律,形成时域微分方程。
步骤3:使用拉普拉斯变换将这些微分方程从时域转换到s域。
步骤4:为了找到未知变量,解这些方程。
步骤5:应用拉普拉斯逆变换将方程从s域转换回时域。
RLC电路的应用
它被用作低通滤波器,高通滤波器,带通滤波器带阻滤波器,电压乘法器和振荡器电路。它用于调谐收音机或音频接收机。

























